فیلتر قیمت
جک پارکینگی، جک درب برقی یا جک درب ریموت کنترل؛ این وسیله کاربردی و مناسب نام های مختلفی دارد. وسیله ای است که زندگی افراد را راحت تر و آسان تر می کند. این تجهیزات سال هاست که تولید می شود اما اخیرا کیفیت این تجهیزات بسیار بالاتر رفته است. جک پارکینگ را با توجه به طول درب ، وزن ، ارتفاع و میزان تردد آن انتخاب کنید.

اول از همه باید معنی دوره عملکرد جک را بدانید. مسیر حرکت ، یکی از مشخصه های اساسی جک پارکینگی کامفورت است. میزان حرکت به سمت داخل و خارج محور جک (میله جک) ، عددی بر حسب میلی متر است. به عنوان مثال مسیر حرکت جک کامفورت 400 \300 میلی متر است. این به این معنی است که حداکثر فاصله برای شفت جک پارکینگ کامفورت 300 میلی متر (30 سانتی متر) است.
جک پارکینگی ، جک درب برقی یا جک درب کنترل از راه دور ؛ نام های مختلفی بر روی این دستگاه کاربردی و مفید گذاشته شده است. جک پارکینگی ابزاری است که زندگی مردم را آسان تر و راحت تر می کند.این دستگاه سالهاست ساخته می شود ، اما اخیراً این دستگاه با کیفیت بسیار بهتری ساخته شده است.
جک درب کنترل از راه دور یک دستگاه مکانیکی قدرتمند است که به درهای لولایی پارکینگ ها و کارگاه ها متصل می شود و باعث می شود افراد بتوانند با استفاده از ریموت کنترل در را باز و بسته کنند. این به شما امکان می دهد تا برای بازکردن درب پارکینگ از خودرو خود ایستاده و تنها با فشردن یک دکمه می توانید درب پارکینگ را باز کنید.
انواع جک برای درب پارکینگ و ریموت کنترل وجود دارد. بنابراین، مشکلات رایج جک های پارکینگی ممکن است بسته به نوع جک مورد استفاده در درب متفاوت باشد. انواع جک های بازویی، جک های برقی، جک های هیدرولیک،موتورهای کرکره برقی و جک های ریلی پارکینگی ، جک های پنوماتیکی وبادی و جک های زیر سقفی و سکشنال هستند که بر روی درب ها نصب می شوند و آن ها را به درب اتوماتیک تبدیل می کنند. هر کدام ویژگی ها و عملکردهای متفاوتی دارند، بنابراین رایج ترین مشکلات جک پارکینگ در هر کدام ممکن است متفاوت باشد.
یکی از رایج ترین مدل هایی که اکثر درب های پارکینگ استفاده می کنند انواع بازویی و جک های برقی است که در اینجا به بررسی مشکلات رایج این مدل ها به کمک اسمارت کو می پردازیم. البته اکثر این مشکلات در مدل های دیگر نیز به همین صورت مشاهده می شود و ممکن است راه حل های کمی متفاوت داشته باشند و آن ها را برطرف کنند.
در سال 1965 ، جوزپه مانینی که آن زمان پیمانکار ساختمان بود متوجه شد که درب بلوک آپارتمان ها همیشه باز است. افراد می بایست از ماشین پیاده می شدند تا درها را باز کنند ، اما هیچ کس مجدد پیاده نمیشد تا درب را ببندد.
راه حل چه بود؟
مطابق با مخترعان بزرگی که پیش از او بودند ، مانینی شاهکارهایی از فناوری هیدرولیک خود را طراحی می کند. نتیجه این امر ، پیشگام خانواده FAAC است : the 750 underground operator ، اولین سیستم حرکت خودکار دروازه.
پس از این اختراع نمونه های بسیاری آزمایش شدند تا به مرور زمان این شرکت به بلوغ در زمینه جک های پارکینگی رسید و آغازی بود سلطنت 50 ساله این شرکت که کماکان در این عرصه می تازد و طبق شعار این شرکت فناوری FAAC قادر به بهبود زندگی خواهد بود
شرکت FAAC در زمینه اتوماسیون برای دروازه ها و موانع ، گیت های ورودی و درب های اتوماتیک ، موتور کرکره و صفحه نمایش ، پارکینگ اتومبیل و کنترل دسترسی و همینطورPARKING TECHNOLOGY با راه حل های هوشمند و مقیاس پذیر برای کنترل پارکینگ های پرداخت شده.
در طی سالیان گذشته استقبال از جَک های ایتالیایی در بازار جهانی بسیار زیاد بوده و این قضیه در بازار داخلی کشور خودمان نیز کاملاً مشهود بوده است بر این اساس تصمیم رفتیم یک نگاه اجمالی به تاریخچه شرکت پرآوازه FAAC داشته باشیم و قطعآً در آینده مقالات بیشتری در این زمینه ارائه خواهیم کرد
1- درب را نمی توان با فشار دادن دکمه کنترل از راه دور باز یا بسته کرد.
2- تنظیمات مدار بهم ریخته و درب عملکرد صحیحی ندارد.
3-درب باز و یا بسته شده است اما موتورها همچنان کار میکنند.
4-درب خود به خود باز و بسته می شود.
5- زمان بسته شدن خودکار درب پارکینگ خراب است و درب به طور خودکار بسته نمی شود.
6-دو درب یا یکی از درب هارا نمی توان به طور کامل باز یا بسته کرد.
7- درب ها باز شده اند اما بسته نمی شوند.
8- جک ها تحت فشار هستند و خلاص نمی شوند.
9- فلاشر کار می کند اما جک ها باز نمی شوند.
10- جک ها بعد از بسته شدن درب دوباره کامل باز می شوند.
11- زمانیکه موتور جک خاموش می شود درب اندازه یک وجب باز می شود.
12- موتور جک ها کار میکند اما درب بازو وبسته نمی شود.
13- بعد از قطع و وصل مجدد برق مدار عملکرد صحیحی ندارد.
14- درب ها نامنظم وبدون سرعت یکنواخت کار میکنند و به انتها نمیرسند.
15- جک ها درانتهای مسیر بسته شدن فشار نهایی ندارند.
16-قفل برقی قفل نمی شودوبا فشار، درب باز می شود.
17- درب ها هنگام باز و یا بسته شدن به یکدیگر برخورد می کنند.
هر کدام از موارد بالا می تواند به دلایل متعددی ایجاد شوند و تنها یک عامل را نمی توان برای ایجاد اختلال در عملکرد صحیح جک های پارکینگی یا موتورهای کرکره در نظر گرفت. در ادامه برخی از مهم ترین این مشکلات و دلایل بروز آن را بیشتر بررسی خواهیم کرد.
|
|
خطا |
رفع عیب |
|||||
|
1 |
ریموت کنترل کار نمی کند |
ریموت باطری ندارد |
ریموت خراب شده است |
برق مدار قطع می باشد |
|||
|
مانع جلوی چشمی ها میباشد |
بازوها خلاص میباشند |
||||||
|
2 |
تنظیمات مدار ذخیره نمی شود |
برق را قطع وصل کنید و مجدد برنامه دهید |
Ic program مدار معیوب است |
||||
|
3 |
بعد از باز ویا بسته شدن موتورهمچنان کار می کند |
تایم کارکرد موتورها تنظیم شود |
|||||
|
4 |
درب خود به خود باز و بسته می شود |
دکمه ریموت تحت فشار است |
گیرنده برد اتصالی دارد |
گیرنده برد ممکن است اب خورده باشد |
|||
|
5 |
درب بعد از باز شدن ، اتوماتیک بسته نمی شود |
درب در حالت دستی قرار دارد |
برنامه ریزی مد اتوماتیک غیر فعال است |
مد استپ فعال شده .دکمه ریموت را یکبار دیگر فشار دهید |
|||
|
6 |
هردو یا یکی از درب ها کامل کار نمی کند |
قطعه داخل مدار خراب است |
خازن جک مشکل دارد |
سیم موتور به برد چک شود |
|||
|
پایه جک شکسته است |
قطعه داخل گیربکس جک معیوب شده |
جک در حالت نیمه خلاص میباشد |
|||||
|
7 |
درب بازشده و بسته نمی شود |
مانع جلوی چشمی ها میباشد |
درب از حالت اتومات به مد دستی رفته است |
||||
|
8 |
جک ها خلاص نمی شوند |
جک تحت فشار است |
خلاص کن معیوب شده است |
||||
|
9 |
فلاشر کار میکند اما جک ها عمل نمی کنند |
جک ها خلاص هستند |
کانکتور موتورها چک شوند |
خازن موتور خراب شده |
|||
|
10 |
درب هنگام بسته شدن مجدد باز می شود |
مانع جلوی چشمی ها می آید |
حساسیت برخورد با مانع در مدار فعال است |
درب تحت فشار است |
|||
|
11 |
بعد از عملکرد موتور و توقف آن موتوردرب کمی بازمی شود |
چرخدنده داخل گیربکس معیوب است |
تنظیمات مدار چک شود |
||||
|
12 |
موتور جک ها کار میکند اما درب حرکت نمی کند |
جک ها خلاص هستند |
حرکت جک معکوس است ،دو دقیقه صبر کنید مجدد تست کنید |
||||
|
13 |
بعد از قطع و وصل برق تنظیمات تغییر می کند |
Ic program مدار معیوب است |
|||||
|
14 |
قفل برقی قفل نمی شود و جک ها فشار ندارند |
بوبین قفل سوخته |
پلیت ته جک شکسته |
پلیت سر جک شکسته |
|||
|
درب خودش را انداخته و تنظیمات بهم خورده |
چرخدنده داخلی جک مشکل دارد |
||||||
|
15 |
درب ها به یکدیگر برخورد می کنند |
تاخیر بین لنگه اول و دوم در مدار تنظیم شود |
زاویه های نصب رعایت نشده است |
||||
باز و بسته نشدن جک پارکینگی یکی از بیشترین مواردی است که با آن برخورد داریم . ممکن است در این حالت باطری ریموت کنترل تمام شده باشد ، برق مدار کنترل قطع شده باشد ، ریموت خراب شده و دچار ضربه و یا آب خوردگی شده است.ممکن است چشمی های بیرونی و سنسورها کثیف شده باشند که در این حالت ارتباط نوری بین چشمی ها قطع میگردد و عملکرد سیستم متوقف میشود.
جک های پارکینگی نیاز به سرویس های دوره ای جهت تعمیر و نگهداری دارند که بایستی با توجه به شرایط محل نصب برای بازدید های دوره ای برنامه زمان بندی توسط شرکت ویا تکنسین نصب به کارفرما ارائه شود . علاوه بر این، برخی از موارد هم می تواند از ایجاد مشکلات اولیه جلوگیری کند. سرویس های دوره ای و روغن کاری لولا های درب توسط کارفرمایان و یا نگهبانان یکی ازعوامل تاثیر گذار در حفظ عملکرد جک است. علاوه بر این، تراز و شاقول بودن درب های پارکینگ نیز روی عملکرد صحیح جک و جلوگیری از بروزمشکلات جک پارکینگ، تاثیر زیادی دارد.
جک پارکینگی کامفورت بعنوان یک جک برقی و اتوماتیک با کیفیت در بین همکاران شناخته شده است که این امر به واسطه سیم پیچی تمام مسی به کارگرفته شده در آن می باشد.

. چرخ دنده جک پارکینگی کامفورت از آلیاژ با کیفیت و از جنس متالوژی پودر ساخته شده است.

استیل میل ماردون با قطر 25 میلیمتر و مهره ماردون قوی طراحی شده کامفورت باعث شده است که طول عمر و کارایی بالاتری نسبت به جک های برقی دیگر پیدا کند. برای درب های سنگین بدون شک جک کامفورت مناسب ترین گزینه می باشد.
_1000.jpeg)
جک بازویی و پارکینگی کامفورت مناسب برای درب های دو لنکه و تک لنگه خانگی و صنعتی میباشد ، این مدل جک برقی پارکینگی ، محصول شرکت گلدن گیت میباشد و با مدل های کامفورت 400 ، کامفورت 500 ، کامفورت 600 ، کامفورت 1000 و کامفورت 2000 در بازار درب های اتوماتیک و جک های پارکینگی عرضه میگردد.
جک های پارکینگی گلدن گیت دارای گارانتی و خدمات پس از فروش شرکتی بسیار قوی میباشند که این امر باعث گردیده است تا اولین گزینه برای همکاران در انتخاب جک پارکینگی باشد. در مناطقی که بارندگی و شدت رطوبت محسوس است جک کامفورت به عنوان یک اولویت برای نصب مد نظر همکاران می باشد، چرا که شفت آلومینیومی از زنگ زدگی و نفوذ آب به داخل جک جلوگیری می کند.

در میان جک های برقی مکانیکی کامفورت به شما یک موتور پرقدرت 350 واتی را برای باز و بسته کردن درب های عریض و سنگین می دهد که به عنوان یک مزیت رقابتی چشمگیر به شمار می رود.
جک کامفورت دارای خلاص کن مخفی است که در قسمت زیر آن تعبیه شده است و این قابلیت از سرقت تا حد زیادی پیشگیری میکند.

بر خلاف سایر جکهای پارکینگی موجود در بازار برای نصب قفل برقی نصاب نیاز به ماژول قفل برقی دارد که جک کامفورت نیاز به این ماژول ندارد و روی برد کانکتور قفل برقی تعبیه شده است. این قابلیت نیز وجود دارد که بعد از عبور خودرو یا عابر از جلوی چشمی، فرمان بسته شدن به مد ار ارسال می گردد و درب در سریع ترین زمان ممکن بسته می شود.
1- نصب آسان و سریع 2-کد دهی سریع ریموتها
3-مدار فرمان دیجیتال و هوشمند
4- قابلیت نصب اکسسهای کنترل
5- دارای مد برنامه ریزی اتوماتیک
6- دارای مد اسباب کشی
7- دارای مد کارکرد جک ها بدون در نظر گرفتن چشمیها
8- دارای رله پارکینگ جهت درب نفر رو و یا لامپ های پارکینگ و یا تحریک رله آسانسور و...


ترمینال شماره 1 و 2 : ورودی برق 220 ولت به دستگاه میباشد.
ترمینال شماره 3و4و5 :ورودی سه سیم چپ گرد ، مشترک و راست گرد موتور لنگه رویی میباشد(موتوری که اول باز میشود ).
ترمینال شماره 6 و7 : ورودی خازن موتور 1 جک پارکینگی .
ترمینال شماره 8 و 9 : وردی خازن موتور 2 جک پارکینگی.
ترمینال شماره 10 و 11 و12 :ورودی سه سیم چپ گرد ، مشترک و راست گرد موتور لنگه زیری میباشد(موتوری که اول بسته میشود ).
ترمینال شماره 13 و 14 : خروجی برق 220 ولت فلاشر میباشد.
ترمینال شماره 15 و 16 : خروجی رله پارکینگ میباشد.
ترمینال شماره 17 و 18 : خروجی برق DC 12-24 برای قفل برقی میباشد.
ترمینال شماره 19 : تحریک دستی جک پارکینگ در هنگام تک لنگه میباشد.
ترمینال شماره 20 : تحریک دستی جک پارکینگ در هنگام دو لنگه میباشد.
ترمینال شماره 21 و 22 : تغزیه 12 ولت سنسورها و چشمی ها میباشد.
ترمینال شماره 23 : مشترک و یا com برد جک پارکینگی میباشد.
ترمینال شماره 23 و 24 : تحریک چشمی و سنسورها میباشد
ترمینال شماره 25 و 26 : ورودی آنتن هوایی برد جک برقی میباشد.

سیم بندی در هنگام نصب جک پارکینگی از مهم ترین موارد نصب میباشد.در هنگام نصب جک پارکینگی کامفورت لطفا دیاگرام سیم بندی زیر رعایت شود.

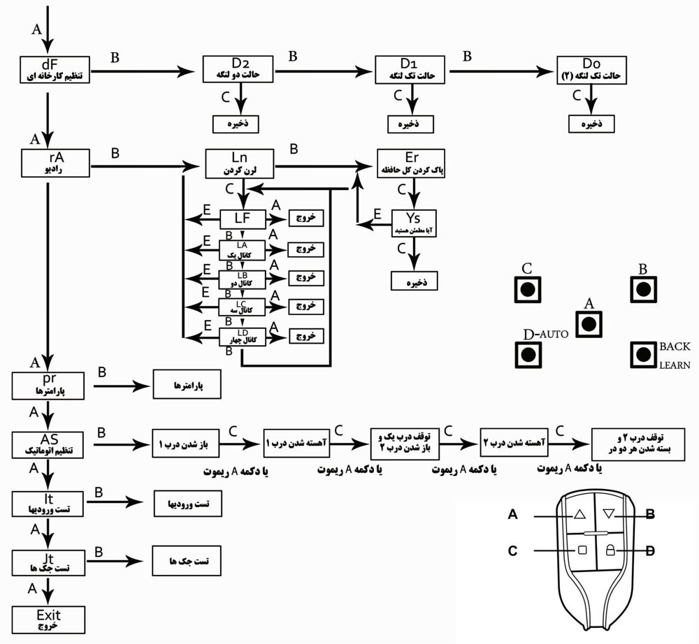
ریموت به دو طریق قابل برنامه ریزی است:
1- کد دادن سریع ریموت:
با نگه داشتن 3 ثانیه دکمه LEARN صفحه نمایش به چرخش در می آید و با زدن یکی از دکمه های ریموت کد آن بصورت 4 کانال ذخیره می شود.
2- کد دادن ریموت از منو:
با 2 بار زدن دکمــه A وارد منـو rA و با زدن دکمـه B وارد منـو Ln و با زدن دکمـه C گـزینـه های زیـر برای کـد دادن ریمـوت قـابل انتخـاب هستنـد.
LF: کد دادن ریموت 4 کانال
LA: باز و بسته کردن درب 2 لنگه و ریلی
Lb: باز و بسته کردن درب تک لنگه در حالت 2 لنگه
LC: فرمان به رله پارکینگ
پاک کردن ریموت:
جهت پاک کردن همه کدهای ریموت ابتـدا باید توسط دکمـه A وارد منو rA شوید سپـس با فشـردن دکمـه B منـو Er را انتخـاب کنیـد و با فشــردن دکمه
C عبارت YS به معنای: آیا مطمئن هستید؟ نمایان می گردد.
با فشار مجدد کلید C کلیه ریمـوت های مـوجود در سیستم پاک میگـردد و در حین عملیات سونسگمنت به صورت چرخان در می آید.
توجه:
ریموت کنترل های داخل جعبه برنامه ریزی شده اند اگر میخواهید یک ریمـوت را برای دو دستـگاه مجزا استفـاده کنید باید کــد ریمــوت ها را پاک کنید
و دکمه ها را تک تک کد دهید. مثلا دکمه اول را در برد اول با LA برنامه ریزی کنید و در برد دوم دکمه دوم را با LA برنامـه ریزی کنیــد تا با
دکمه اول برد اول و با دکمه دوم برد دوم را کنترل کنید.
وضعیت D2: برای درب های دو لنگه
وضعیت D1: برای درب های تک لنگه
وضعیت D0: برای درب های تک لنگه که به سرعت بیشتری در دور کند نیاز دارند.
برای راه اندازی اتومـاتیک بازوها ابتدا درب ها را در حـالت بسته قرار دهید سپس دکمـه D روی مدار فرمان را نگـه دارید تا درب اول باز شود سپس با زدن دکمه اول ریمـوت یا دکمه C درب اول آهسته می شود سپس با زدن دکمه اول ریموت یا دکمه C درب اول متـوقف و درب دوم باز می شود.
این عملیات را برای درب دوم نیز تکرار کنید در انتها درب ها به صورت اتوماتیک بسته می شود.

5- جدول تنظیمات
سه بار A را بزنید تا به گزینه Pr برسید سپس دکمه B را بزنید حال پارامترهای زیرقابل رویت است
میتوانید با زدن دکمه B به سمت پایین و با زدن دکمه Back به سمت بالا بروید
میتوانید پارامتر دلخواه را با دکمه Cانتخاب کنید و با دکمه های C و D پارامتر مورد نظر را تغییر دهید
برای خروج بدون ذخیره پارامترها دکمه A را بزنید و برای ذخیره ی پارامترها به گزینه SA بروید و دکمه C را بزنید

برای بستن درب هنگامیکه سنسور چشمی باز باشد یکی از دکمه های ریموت را 3 ثانیه نگه دارید تا پیغام PH از صفحه نمایش پاک شود ، سپس 30 ثانیه فرصت دارید تا با زدن مجدد دکمه ریموت درب را ببندید.
برای فعال شدن این حالت بلافاصله بعد از باز شدن درب ها پنج ثانیه فرصت دارید که جلوی چشمی ها بایستید و دکمه ریموت را فشار دهید تا بسته شدن اتوماتیک غیرفعال شود.
جک پارکینگ کامفورت 600 به واسطه میل ماردون 25 میلی متری و مهره ماردون مقاوم یکی از پرطرفدارترین جک های برقی مکانیکی در بازار درب های اتوماتیک است. یکی از مهمترین نکات در مورد جک کامفورت 600 سیم پیچی تمام مسی آن است که درکنار چرخ دنده با کیفیت توانسته است طول عمر بیشتری را برای مشتریان فراهم نماید.
در مناطقی که بارندگی و شدت رطوبت محسوس است جک پارکینگ کامفورت 600 به عنوان یک اولویت برای نصب مد نظر همکاران می باشد، چرا که شفت آلومینیومی از زنگ زدگی و نفوذ آب به داخل جک جلوگیری می کند. در میان جک های برقی مکانیکی کامفورت 600 به شما یک موتور پرقدرت 350 واتی را برای باز و بسته کردن درب های عریض و سنگین می دهد که به عنوان یک مزیت رقابتی چشمگیر به شمار می رود.
جک پارکینگی کامفورت 500 بعنوان یک جک برقی و اتوماتیک با کیفیت در بین همکاران شناخته شده است که این امر به واسطه سیم پیچی تمام مسی به کارگرفته شده در آن می باشد. چرخ دنده جک پارکینگ کامفورت از آلیاژ با کیفیت ساخته شده است، استیل میل ماردون با قطر 25 میلیمتر و مهره ماردون قوی طراحی شده کامفورت باعث شده است که طول عمر و کارایی بالاتری نسبت به جک های برقی دیگر پیدا کند. برای درب های سنگین بدون شک جک کامفورت مناسب ترین و قویترین گزینه می باشد.
موتورپرقدرت 350 واتی، میزان تردد بالای آن ، خلاص کن مخفی جک و ضد آب بودن آن برای نصب در مناظق دارای رطوبت، همه و همه از مزایا جک کامفورت می باشد که آن را نسبت به محصولات دیگر جک های پارکینگی درب اتوماتیک متمایز کرده است.سنسور حرارتی داخل موتور جک کامفورت از سوختن موتور جک پارکینگی جلوگیری مینماید.
جک پارکینگ کامفورت یا جک درب ریموت دار یک وسیله مکانیکی محکم است که بر روی درب های لولایی پارکینگ ها و کارگاه ها نصب می شود تا افراد با استفاده از ریموت درب را باز و بسته کنند و به شما این امکان را می دهد که درب و جک پارکینگ را بدون فاصله گرفتن از وسیله نقلیه باز کنید، فقط یک دکمه را فشار دهید تا درب پارکینگ باز شود.جک های پارکینگی کامفورت گلدن گیت با مدل و کورس های مختلف خود توانسته اند نیاز مصرف کننده را با توجه به نوع درب (خانگی ، صنعتی ) تامین نمایند.
سخن پایانی
استفاده ازجک بازویی روی درب ها برای سهولت در باز وبسته کردن انواع دربها و همچنین سهولت در تردد بسیار مورد توجه و علاقه افراد قرار گرفته است به کمک مستر اسمارت کو می توانید بهترین گزینه را برای استفاده انتخاب کنید . امیدواریم موارد بالا مفید واقع شده باشد. شما بازدید کننده گرامی میتوانید برای سهولت در انجام خدمات با کارشناسان دربهای اتوماتیک گلدن گیت در ارتباط باشید.
هلدینگ گلدن گیت در راستای توسعه زیر ساخت های حفاظتی، امنیتی و هوشمند سازی صنعت ساختمان از سال 84 فعالیت خود را در زمینه فروش درب های اتوماتیک، آیفون تصویری، دوربین مدار بسته و هوشمند سازی آغاز نمود و همچنین با ارائه خدمات پس از فروش و گارانتی به عنوان یک برند معتبر در بازار شناخته شده است. گلدن گیت با رویکرد تولید ملی و تکیه بر این اصل مهم در سال 95 کارخانه درب های اتوماتیک را در منطقه صنعتی عباس آباد احداث کرد و توانست با بهره گیری از فناوری روز دنیا و متخصصان داخلی محصولاتی را با شعار "هوشمند زندگی کن "دررده شرکت های معتبر ایتالیایی، آلمانی و اسپانیایی تولید نماید. امید است با بهره گیری از سرمایه انسانی و دانش بومی بتوان سطح کیفی زنگی هوشمند را در جهت آسایش، امنیت و رفاه هموطنان عزیز بالا برد چرا که پیشرفت در زندگی دیجیتال و در عصر امروز یک ضرورت و دغدغه برای گلدن گیت محسوب می گردد. ما بی صبرانه از نمایندگان با انگیزه و حرفه ای در جهت فروش و پشتیبانی محصولات گلدن گیت دعوت می کنیم تا به شبکه فروش و خدمت رسانی به هموطنان عزیز در سراسر ایران بپیوندند.
آدرس : تهران، اتوبان آزادگان غرب به شرق بعد از پل شهید صنیع خانی، بازار بزرگ آهن مکان، فاز سوم مرکزی، پلاک 490-491
کلیه حقوق مادی و معنوی سایت متعلق به هلدینگ گلدن گیت می باشد